Логические микросхемы. Часть 2 - логические элементы

Логические элементы, работают как самостоятельные элементы в виде микросхем малой степени интеграции, так и входят в виде компонентов в микросхемы более высокой степени интеграции. Таких элементов можно насчитать не один десяток.

Но сначала расскажем только о четырех из них - это элементы И, ИЛИ, НЕ, И-НЕ. Основными элементами являются первые три, а элемент И-НЕ это уже комбинация элементов И и НЕ. Эти элементы можно назвать «кирпичиками» цифровой техники. Для начала следует рассмотреть, какова же логика их действия?

Вспомним первую часть статьи о цифровых микросхемах. Там было сказано, что напряжение на входе (выходе) микросхем в пределах 0…0,4В это уровень логического нуля, или напряжение низкого уровня. Если же напряжение в пределах 2,4…5,0В, то это уровень логической единицы или напряжение высокого уровня.

Рабочее состояние микросхем серии К155 и других микросхем с напряжением питания 5В характеризуется именно такими уровнями. Если на выходе микросхемы напряжение находится в диапазоне 0,4…2,4В (например 1,5 или 2,0В), то можно уже задуматься о замене данной микросхемы.

Практический совет: чтобы убедиться, что неисправна по выходу именно эта микросхема, следует отсоединить от нее вход следующей за ней микросхемы (или несколько входов, подключенных к выходу данной микросхемы). Эти входы могут просто «подсаживать» (перегружать) микросхему по выходу.

Условные графические обозначения

Условные графические обозначения представляют собой прямоугольник, содержащий входные и выходные линии. Входные линии элементов располагаются слева, а выходные справа. То же касается и целых листов со схемами: с левой стороны все сигналы входные, с правой выходы. Это как в книжке строка, - слева направо, так будет проще запомнить. Внутри прямоугольника находится условный символ, обозначающий функцию, выполняемую элементом.

Логический элемент И

Рассмотрение логических элементов начнем с элемента И.

Его графическое обозначение показано на рисунке 1а. Условным обозначением функции И служит английский символ «&», который в английском языке заменяет союз «и», ведь все-таки, вся эта «лженаука» изобреталась в проклятом буржуинстве.

Входы элемента обозначены как X с индексами 1 и 2, а выход, как выходная функция, буквой Y. Просто, как в школьной математике, например, Y = K*X или, в общем случае, Y = f(x) . Входов у элемента может быть и больше, чем два, что ограничивается только сложностью решаемой задачи, но, выход может быть только один.

Логика работы элемента следующая: напряжение высокого уровня на выходе Y будет лишь тогда, когда И-на входе X1 И-на входе X2 будет напряжение высокого уровня. Если входов у элемента будет 4 или 8, то указанное условие (наличие высокого уровня), должно выполняться на всех входах: И-на входе 1, И-на входе 2, И-на входе3 …..И-на входе N. Лишь в этом случае на выходе будет также высокий уровень.

Для того, чтобы было проще разобраться в логике работы элемента И, на рисунке 1б представлен его аналог в виде контактной схемы. Здесь выход элемента Y представлен лампой HL1. Если лампа светится, то это соответствует высокому уровню на выходе элемента И. Часто такие элементы называют 2-И, 3-И, 4-И, 8-И. Первая цифра указывает на количество входов.

В качестве входных сигналов X1 и X2 используются обычные «звонковые» кнопки без фиксации. Разомкнутое состояние кнопок это состояние низкого уровня, а замкнутое, естественно, высокого. В качестве источника питания на схеме показана гальваническая батарея. Пока кнопки находятся в незамкнутом состоянии, лампа, конечно, не светит. Лампа включится лишь только тогда, когда будут нажаты сразу обе кнопки, т.е. И-SB1, И-SB2. Такова логическая связь между входными и выходным сигналом элемента И.

Наглядное представление о работе элемента И можно получить глядя на временную диаграмму, показанную на рисунке 1в. Сначала сигнал высокого уровня появляется на входе X1, но на выходе Y ничего не произошло, там по-прежнему сигнал низкого уровня. На входе X2 сигнал появляется с некоторой задержкой относительно первого входа, и на выходе Y появляется сигнал высокого уровня.

Когда на входе X1 сигнал принимает низкий уровень, на выходе также устанавливается сигнал низкого уровня. Или, если сказать по-другому, сигнал высокого уровня на выходе удерживается до тех пор, пока на обоих входах присутствуют сигналы высокого уровня. То же самое можно сказать и о более многовходовых элементах И: если это будет 8-И, то чтобы на выходе получить высокий уровень, высокий же уровень должен удерживаться сразу на всех восьми входах.

Чаще всего в справочной литературе состояние выхода логических элементов в зависимости от входных сигналов приводится в виде таблиц истинности. Для рассматриваемого элемента 2-И таблица истинности приведена на рисунке 1г.

Таблица несколько похожа на таблицу умножения, только поменьше. Если внимательно ее изучить, можно заметить, что высокий уровень на выходе будет только тогда, когда на обоих входах присутствует напряжение высокого уровня или, что то-же самое, логической единицы. Кстати, сравнение таблицы истинности с таблицей умножения далеко не случайно: все таблицы истинности электронщики знают, как говорится, назубок.

Также функцию И можно описать при помощи алгебры логики или булевой алгебры. Для двухвходового элемента формула будет выглядеть следующим образом: Y = X1*X2 или другая форма записи Y = X1^X2 .

Логический элемент ИЛИ

Следующим мы рассмотрим логический элемент ИЛИ.

Его графическое обозначение похоже на только что рассмотренный элемент И, за исключением того, что вместо знака &, обозначающего функцию И, внутри прямоугольника вписана цифра 1, как показано на рисунке 2а. В данном случае она обозначает функцию ИЛИ. Слева расположены входы X1 и X2, которых, как и в случае функции И может быть и больше, а справа выход, обозначенный буквой Y.

В виде формулы булевой алгебры функция ИЛИ записывается так Y = X1 + X2.

Согласно этой формуле Y будет истинным тогда, когда ИЛИ на входе X1, ИЛИ на входе X2, ИЛИ на обоих входах сразу будет высокий уровень.

Понять только что сказанное поможет контактная схема, представленная на рисунке 2б: нажатие на любую из кнопок (высокий уровень) или на обе кнопки сразу, приведет к свечению лампочки (высокий уровень). В данном случае кнопки это входные сигналы X1 и X2, а лампочка выходной сигнал Y. Чтобы сказанное было проще запомнить, на рисунках 2в и 2г приведены временная диаграмма и таблица истинности соответственно: достаточно проанализировать работу показанной контактной схемы с диаграммой и таблицей, как все вопросы исчезнут.

Логический элемент НЕ, инвертор

Как говорил один преподаватель, - в цифровой технике нет ничего сложнее инвертора. Пожалуй, так и есть на самом деле.

В алгебре логики операция НЕ называется инверсией, что в переводе с английского означает отрицание, то есть уровень сигнала на выходе с точностью до наоборот соответствует входному сигналу, что в виде формулы выглядит как Y = /X

(Косая черта перед X обозначает собственно инверсию. Обычно вместо косой используется подчеркивание сверху, хотя вполне допустимо и такое обозначение.).

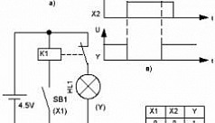
Условное графическое обозначение элемента НЕ представляет собой квадрат или прямоугольник, внутри которого вписана цифра 1.

В данном случае она обозначает, что этот элемент – инвертор. Он имеет всего один вход X и выход Y. Линия выхода начинается маленьким кружком, собственно который и говорит о том, что этот элемент инвертор.

Как только что было сказано – инвертор самая сложная схема цифровой техники. И это подтверждает его контактная схема: если до этого было достаточно лишь только кнопок, то теперь к ним добавилось реле. Пока кнопка SB1 не нажата (логический ноль на входе) реле K1 обесточено и его нормально-замкнутые контакты включают лампочку HL1, что соответствует логической единице на выходе.

Если же нажать кнопку (подать на вход логическую единицу), то реле включится, контакты K1.1 разомкнутся, лампочка погаснет, что соответствует логическому нулю на выходе. Сказанное подтверждают временная диаграмма на рисунке 3в и таблица истинности на рисунке 3г.

Логический элемент И-НЕ

Логический элемент И-НЕ есть не что иное, как сочетание логического элемента И с элементом НЕ.

Поэтому на его условном графическом обозначении присутствует знак & (логическое И), а линия выхода начинается с кружочка, указывающего на наличие в составе элемента инвертора.

Контактный аналог логического элемента показан на рисунке 4б, и, если присмотреться, очень похож на аналог инвертора показанного на рисунке 3б: лампочка включена также через нормально-замкнутые контакты реле К1. Собственно это и есть инвертор. Реле управляется кнопками SB1 и SB2, которые соответствуют входам X1 и X2 логического элемента И-НЕ. На схеме видно, что реле будет включено только тогда, когда будут нажаты обе кнопки: в данном случае кнопки выполняют функцию & (логическое И). При этом лампа на выходе погаснет, что соответствует состоянию логического нуля.

Если же не нажаты обе кнопки, или хотя бы одна из них, то реле отключено, и лампочка на выходе схемы горит, что соответствует уровню логической единицы.

Из всего сказанного можно сделать следующие выводы:

Во-первых, если хотя бы на одном входе присутствует логический нуль, то на выходе будет логическая единица. То же состояние на выходе будет и в случае, когда нули присутствуют сразу на обоих входах. Это весьма ценное свойство элементов И-НЕ: если соединить оба входа, то элемент И-НЕ становится инвертором, - просто выполняет функцию НЕ. Такое свойство позволяет не ставить специальную микросхему, содержащую сразу шесть инверторов, когда требуется всего один или два.

Во-вторых, нуль на выходе можно получить только в том случае, если «собрать» на всех входах единички. В данном случае уместно было бы назвать рассматриваемый логический элемент 2И-НЕ. Двойка говорит о том, что этот элемент двухвхододый. Практически во всех сериях микросхем существуют также 3-х, 4-х и восьмивходовые элементы. При этом каждый из них имеет только один выход. Однако, базовым элементом во многих сериях цифровых микросхем считается элемент 2И-НЕ.

При различных вариантах соединения входов можно получить еще одно чудесное свойство. Например, соединив между собой три входа восьмивходового элемента 8И-НЕ получим элемент 6И-НЕ. А если соединить вместе все 8 входов, получится просто инвертор, о чем было сказано чуть выше.

На этом знакомство с логическими элементами закончим. В следующей части статьи будут рассмотрены простейшие опыты с микросхемами, внутреннее устройство микросхем, простые устройства, например генераторы импульсов.

Борис Аладышкин