Как подключить светодиод к осветительной сети

Прочитав этот заголовок, кто-то, возможно, спросит: «А зачем?» Да, если просто воткнуть светодиод в розетку, даже включив его по определенной схеме, практического значения это не имеет, никакой полезной информации не принесет. А вот если тот же светодиод подключить параллельно нагревательному элементу, управляемому от терморегулятора, то можно визуально контролировать работу всего прибора. Иногда такая индикация позволяет избавиться от множества мелких проблем и неприятностей.

В свете того, что уже было сказано о включении светодиодов в предыдущих статьях, задача кажется тривиальной: просто поставил ограничительный резистор нужного номинала, и вопрос решен. Но все это хорошо, если питать светодиод выпрямленным постоянным напряжением: как подключили светодиод в прямом направлении, так он и остался.

При работе на переменном напряжении все не так просто. Дело в том, что на светодиод, кроме прямого напряжения, будет воздействовать еще и напряжение обратной полярности, ведь каждый полупериод синусоида меняет знак на противоположный. Это обратное напряжение не будет засвечивать светодиод, но привести его в негодность может очень быстро. Поэтому приходится принимать меры по защите от этого «вредного» напряжения.

В случае сетевого напряжения расчет гасящего резистора следует вести исходя из величины напряжения 310В. Почему? Здесь все очень просто: 220В это действующее напряжение, амплитудное же значение составит 220*1,41=310В. Амплитудное напряжение в корень из двух (1,41) раз больше действующего, и об этом забывать нельзя. Вот такое прямое и обратное напряжение приложится к светодиоду. Именно из величины 310В и следует рассчитывать сопротивление гасящего резистора, и именно от этого напряжения, только обратной полярности, защищать светодиод.

Как защитить светодиод от обратного напряжения

Почти для всех светодиодов обратное напряжение не превышает 20В, ведь никто не собирался делать на них высоковольтный выпрямитель. Как же избавиться от такой напасти, как защитить светодиод от этого обратного напряжения?

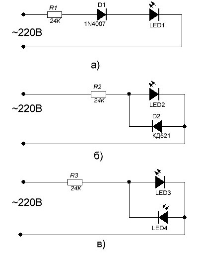
Оказывается, все очень просто. Первый способ – последовательно со светодиодом включить обычный выпрямительный диод с высоким обратным напряжением (не ниже 400В), например, 1N4007 – обратное напряжение 1000В, прямой ток 1А. Именно он не пропустит высокое напряжение отрицательной полярности к светодиоду. Схема такой защиты показана на рис.1а.

Второй способ, не менее эффективный, - просто зашунтировать светодиод другим диодом, включенным встречно – параллельно, рис.1б. При таком способе защитный диод даже не должен быть с высоким обратным напряжением, достаточно любого маломощного диода, например, КД521.

Более того, можно просто включить встречно - параллельно два светодиода: поочередно открываясь, они сами защитят друг друга, да еще и оба будут излучать свет, как показано на рисунке 1в. Это уже получается третий способ защиты. Все три схемы защиты показаны на рисунке 1.

Рисунок 1. Схемы защиты светодиодов от обратного напряжения

Ограничительный резистор на этих схемах имеет сопротивление 24КОм, что при действующем напряжении 220В обеспечивает ток порядка 220/24=9,16мА, можно округлить до 9. Тогда мощность гасящего резистора составит 9*9*24=1944мВт, почти два ватта. Это притом, что ток через светодиод ограничен на уровне 9мА. Но длительное использование резистора на предельной мощности ни к чему хорошему не приведет: сначала он почернеет, а потом совсем сгорит. Чтобы этого не произошло, рекомендуется ставить последовательно два резистора по 12КОм мощностью по 2Вт каждый.

Если задаться уровнем тока в 20мА, то мощность резистора составит еще больше - 20*20*12=4800мВт, без малого 5Вт! Естественно, что печку такой мощности для отопления помещения никто себе позволить не сможет. Это из расчета на один светодиод, а что если будет целая светодиодная гирлянда?





Конденсатор – безваттное сопротивление

Схема, показанная на рисунке 1а, защитным диодом D1 «срезает» отрицательный полупериод переменного напряжения, поэтому и мощность гасящего резистора снижается вдвое. Но, все равно, мощность остается весьма значительной. Поэтому, часто в качестве ограничительного резистора применяют балластный конденсатор: ток он ограничит ничуть не хуже резистора, а вот тепла выделять не будет. Ведь недаром часто конденсатор называют безваттным сопротивлением. Этот способ включения показан на рисунке 2.

Рисунок 2. Схема включения светодиода через баластный конденсатор

Здесь вроде бы все хорошо, даже есть защитный диод VD1. Но не предусмотрены две детали. Во-первых, конденсатор C1 после выключения схемы может остаться в заряженном состоянии и хранить заряд до тех пор, пока кто-нибудь не разрядит его своей рукой. А это, поверьте, обязательно когда-нибудь произойдет. Удар током получается, конечно, не смертельный, но достаточно чувствительный, неожиданный и неприятный.

Поэтому, во избежание такой неприятности, эти гасящие конденсаторы шунтируются резистором с сопротивлением 200…1000КОм. Такая же защита устанавливается и в бестрансформаторных блоках питания с гасящим конденсатором, в оптронных развязках и некоторых других схемах. На рисунке 3 этот резистор обозначен как R1.

Рисунок 3. Схема подключения светодиода к осветительной сети

Кроме резистора R1, на схеме появляется еще резистор R2. Его назначение ограничить бросок тока через конденсатор при подаче напряжения, что помогает защитить не только диоды, но и сам конденсатор. Из практики известно, что при отсутствии такого резистора конденсатор иногда обрывается, емкость его становится намного меньше номинальной. Излишне говорить, что конденсатор должен быть керамический на рабочее напряжение не менее 400В или специальный для работы в цепях переменного тока на напряжение 250В.

На резистор R2 возлагается еще одна немаловажная роль: в случае пробоя конденсатора он срабатывает как предохранитель. Конечно, светодиоды придется тоже заменить, но, по крайней мере, соединительные провода останутся целыми. По сути дела именно так срабатывает плавкий предохранитель в любом импульсном блоке питания, - транзисторы сгорели, а печатная плата осталась почти нетронутой.

На схеме, показанной на рисунке 3, изображен всего один светодиод, хотя на самом деле их можно включить последовательно несколько штук. Защитный диод вполне справится со своей задачей один, но емкость балластного конденсатора придется, хотя бы приблизительно, но все, же рассчитать.

Как рассчитать емкость гасящего конденсатора

Для того, чтобы рассчитать сопротивление гасящего резистора, надо из напряжения питания вычесть падение напряжения на светодиоде. Если соединено последовательно несколько светодиодов, то просто сложить их напряжения, и также вычесть из напряжения питания. Зная этот остаток напряжения и требуемый ток, по закону Ома рассчитать сопротивление резистора очень просто: R=(U-Uд)/I*0,75.

Здесь U – напряжение питания, Uд - падение напряжения на светодиодах (если светодиоды включены последовательно, то Uд есть сумма падений напряжения на всех светодиодах), I – ток через светодиоды, R - сопротивление гасящего резистора. Здесь как всегда, - напряжение в Вольтах, ток в Амперах, результат в Омах, 0,75 - коэффициент для повышения надежности. Эта формула уже приводилась в статье «Об использовании светодиодов».

Величина прямого падения напряжения для светодиодов разных цветов разная. При токе 20мА у красных светодиодов 1,6…2,03В, желтых 2,1…2,2В, зеленых 2,2…3,5В, синих 2,5…3,7В. Самым высоким падением напряжения обладают белые светодиоды, обладающие широким спектром излучения 3,0…3,7В. Нетрудно видеть, что разброс этого параметра достаточно широкий.

Здесь приведены падения напряжения лишь нескольких типов светодиодов, просто по цветам. На самом деле этих цветов намного больше, а точное значение можно узнать лишь в техдокументации на конкретный светодиод. Но зачастую этого и не требуется: чтобы получить приемлемый для практики результат, достаточно подставить в формулу какое-то среднее значение (обычно 2В), конечно, если это не гирлянда из сотни светодиодов.

Для расчета емкости гасящего конденсатора применяется эмпирическая формула C=(4,45*I)/(U-Uд),

где C - емкость конденсатора в микрофарадах, I - ток в миллиамперах, U - амплитудное напряжение сети в вольтах. При использовании цепочки из трех последовательно соединенных белых светодиодов Uд примерно около 12В, U амплитудное напряжение сети 310В, для ограничения тока на уровне 20мА понадобится конденсатор емкостью

C=(4,45*I)/(U-Uд)= C=(4,45*20)/(310-12)= 0,29865мкФ, почти 0,3мкФ.

Ближайшее стандартное значение емкости конденсатора 0,15мкФ, поэтому, для использования в данной схеме придется применить два параллельно соединенных конденсатора. Здесь надо сделать замечание: формула действительна только для частоты переменного напряжения 50Гц. Для других частот результаты будут неверны.

Конденсатор сначала надо проверить

Перед тем, как использовать конденсатор, его необходимо проверить. Для начала просто включить в сеть 220В, лучше через предохранитель 3…5А, и минут через 15 проверить на ощупь, а нет ли заметного нагрева? Если конденсатор холодный, то можно его использовать. В противном случае обязательно взять другой, и тоже предварительно проверить. Ведь все-таки 220В это уже не 12, тут все несколько иначе!

Если эта проверка прошла успешно, конденсатор не нагрелся, то можно проверить, не случилась ли ошибка в расчетах, той ли емкости конденсатор. Для этого надо включить конденсатор как в предыдущем случае в сеть, только через амперметр. Естественно, что амперметр должен быть переменного тока.

Это напоминание о том, что не все современные цифровые мультиметры могут измерять переменный ток: простые дешевые приборы, например, очень популярные у радиолюбителей серии DT838, способны измерять только постоянный ток, что покажет такой амперметр при измерении переменного тока никому не ведомо. Скорей всего это будет цена на дрова или температура на Луне, но только не переменный ток через конденсатор.

Если измеренный ток будет примерно таким, как получилось при расчете по формуле, то можно смело подключать светодиоды. Если же вместо ожидаемых 20…30мА получилось 2…3А, то тут, либо ошибка в расчетах, либо неправильно прочитана маркировка конденсатора.





Выключатели с подсветкой

Здесь можно заострить внимание еще на одном способе включения светодиода в осветительную сеть, используемого в выключателях с подсветкой. Если такой выключатель разобрать, то можно обнаружить, что никаких защитных диодов там нет. Так что же, все что написано чуть выше - бред? Совсем нет, просто надо внимательно приглядеться к разобранному выключателю, точнее к номиналу резистора. Как правило, его номинал не менее 200КОм, может даже несколько больше. При этом, очевидно, что ток через светодиод ограничится на уровне около 1мА. Схема выключателя с подсветкой показана на рисунке 4.

Рисунок 4. Схема подключения светодиода в выключателе с подсветкой

Здесь одним резистором убивают сразу несколько «зайцев». Конечно, ток через светодиод будет мал, светиться он будет слабо, но вполне ярко, чтобы разглядеть это свечение темной ночью в комнате. А ведь днем это свечение вовсе не нужно! Так что пусть себе светится незаметно.

При этом слабым будет и обратный ток, настолько слабым, что никоим образом не сможет спалить светодиод. Отсюда экономия ровно на один защитный диод, о котором было рассказано выше. При выпуске миллионов, а может даже миллиардов, выключателей в год экономия получается немалая.

Казалось бы, что после прочтения статей о светодиодах, все вопросы об их применении ясны и понятны. Но существует еще немало тонкостей и нюансов при включении светодиодов в различные схемы. Например, параллельное и последовательное соединение или, по-другому, хорошие и плохие схемы.

Иногда хочется собрать гирлянду из нескольких десятков светодиодов, но как ее рассчитать? Сколько можно включить последовательно светодиодов, если есть блок питания с напряжением 12 или 24В? Эти и другие вопросы будут рассмотрены в следующей статье, которую так и назовем «Хорошие и плохие схемы включения светодиодов».

Борис Аладышкин




Источник: http://electrik.info